Секции инструмента:
Матрицы для гибочных станков системы крепления AMADA PROMECAM имеют следующие длины секций:
- 835мм цельная;
- 415мм цельная;
- 835мм секционная.
Материал и закалка:
Ключевые преимущества:
Высокопрочная сталь 42CrMo - Предлагаем гибочный инструмент только из стали 42CrMo с твердостью 30-37 HRC
Индукционная закалка до 50-55 HRC - Рабочие части нашего гибочного инструмента индукционно закаляются до 50-55 HRC на глубину 4-5мм
Гарантия повторяемости геометрии - Гарантируем повторяемость геометрии гибочного инструмента, даже если они из разных партий
Гарантия качества по договору - Не считаем наш инструмент для гибочных станков расходным материалом, поэтому гарантируем качество в договоре
Быстрая доставка - Отправим ваш груз до терминала в вашем городе. Работаем по России и странам СНГ.
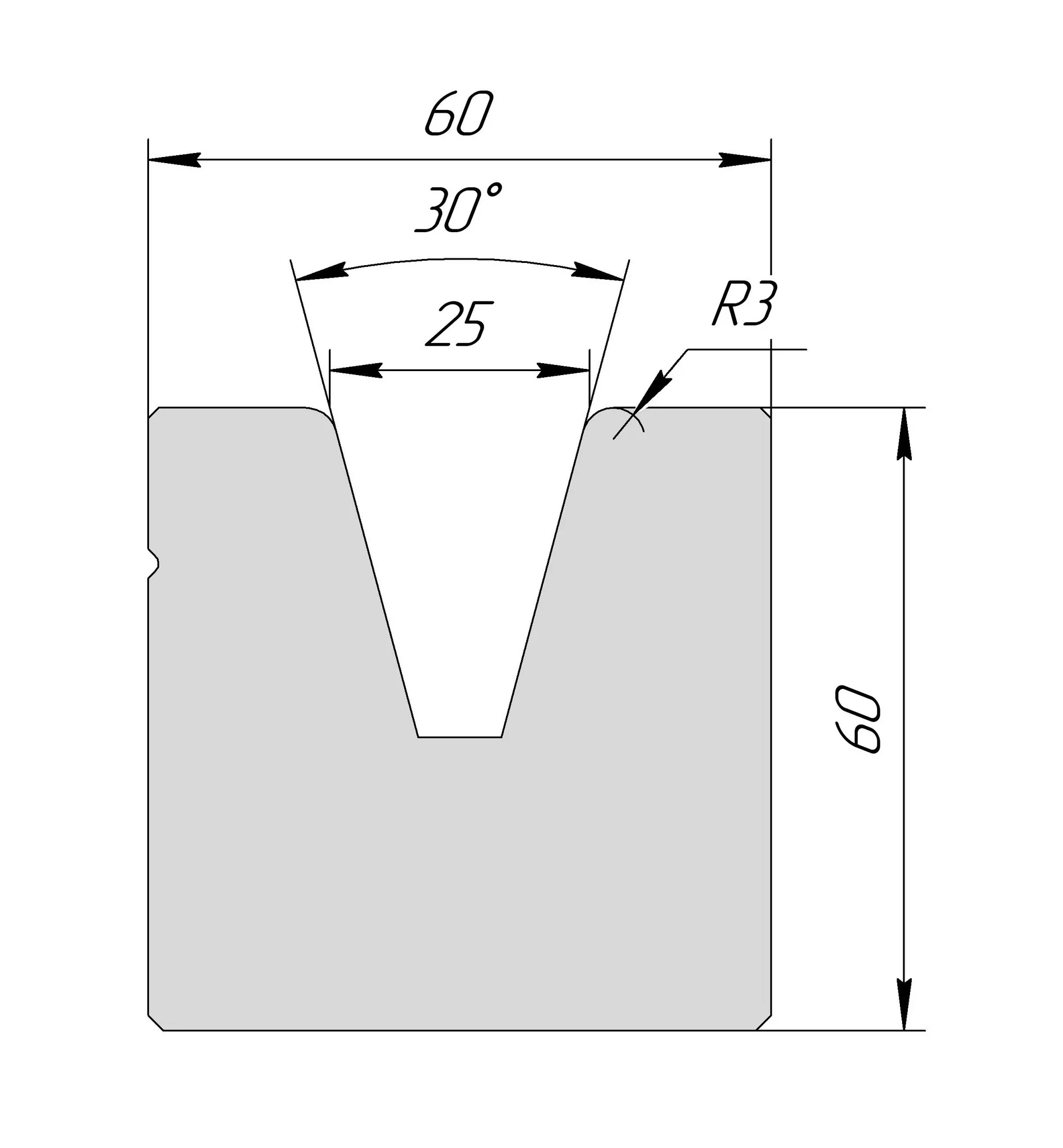
- Угол 30°
- Рабочая высота, мм 60
- Марка стали 42CrMo
- Система крепления инструмента AMADA-PROMECAM
- Максимальная допустимая нагрузка, Т/м 100
- Ширина раскрытия матрицы V, мм. 25

Гибочный инструмент
Координатно-пробивной инструмент
Расходники для лазерной резки
Станки и оборудование
Инструмент для механической обработки
Производители и системы